O módulo de I/O possui dois contadores que contam com pulsos binários de 24 VDC.
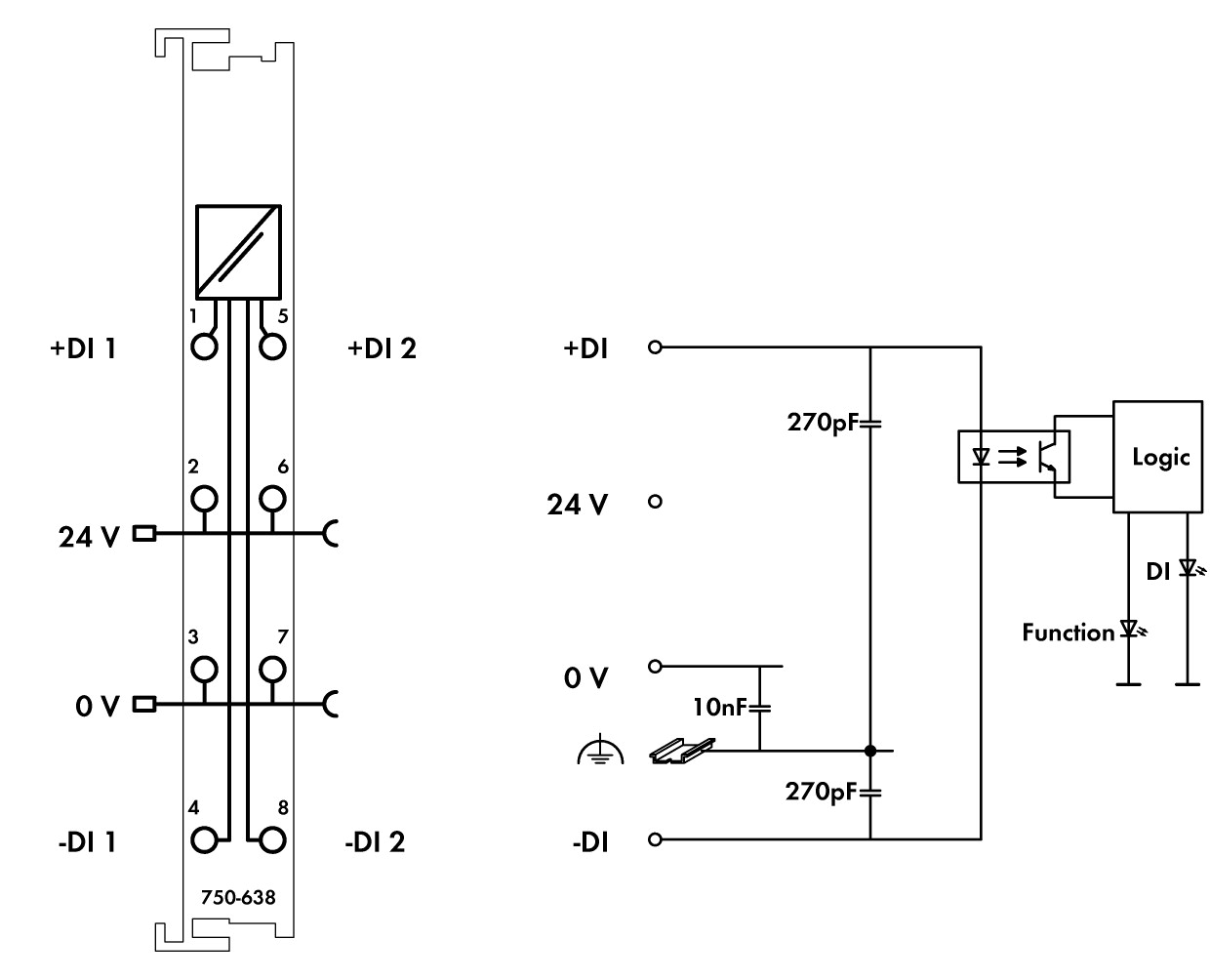
O módulo de I/O possui dois contadores que contam com pulsos binários de 24 VDC, independentemente um do outro. Os dados são então transmitidos para o controle através do fieldbus.
Os contadores podem ser definidos ou redefinidos com os bytes de controle. Um contra-bloqueio também é possível.
Os bytes de controle também determinam a direção da contagem.
| Quantidade de entradas | 8 |
| Alimentação | 5 VDC |
| Seção do Cabo | 0.08 a 2.5mm² |
| Profundidade do contador | 16 bits |
| Conexão | CAGE CLAMP |
| Fixação | Trilho DIN |
| Frequência Nominal | 500Hz |
| Encapsulamento | Plástico |
| Grau de proteção | IP 20 |
| Dimensão | 12 x 69,8 x 100mm |
| Temperatura de operação | 0 a 55°C |
| Série | 750 |
| Fabricante | WAGO |
| Código do Fornecedor | 750-638 |
| Código Safety Control | 000693 |
| Datasheet | DATASHEET 750-638 | Visualizar PDF |
| Manual | MANUAL 750-638 | Visualizar PDF |
Av. Presidente Wenceslau Braz, 2683 - Curitiba
81010-000 - Paraná - Brasil
Curitiba-PR
(41) 3242-0316
Toledo-PR
(45) 3197-2398
Maringa- PR
(44) 3112-0257
0